BƠM ĐIỆN THỦY LỰC OSAKA GH1-D | OSAKA ELECTRIC HYDRAULIC PUMP GH1-D | 10 lít | 720 bar


-
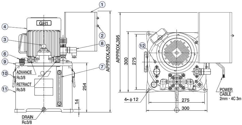
Bơm điện thủy lực Osaka GH1-D, Osaka electric hydraulic pump GH1-D là loại bơm thủy lực cỡ trung bình, có dung tích bình chứa dầu: 14 lít, dung tích dầu hữu dụng: 10 lít, áp hoạt động < 720 bar (72 MPa), sử dụng valve gạt tay, chuyên dùng cho kích thủy lực, tools thủy lực 2 chiều cỡ lớn trong nâng hạ công nghiệp.
-
Bơm điện thủy lực Osaka GH1-D sử dụng động cơ: 0.75 kW/380V/50Hz/3ph, với lưu lượng đẩy dầu đạt: 0.5 lít/phút (tại 720 bar), 3.3 lít/phút (tại thấp áp).
-
Đầu ren chờ lắp phụ kiện, ống dây của bơm thủy lực Osaka GH1-D tiêu chuẩn Rc3/8 cho phép đấu nối nhanh, thuận tiện.
-
Bơm điện thủy lực Osaka GH1-D sử dụng valve điều khiển dạng gạt tay, áp lực thủy lực được điều chỉnh và cài đặt thông qua công tắc áp suất (chỉnh áp, cài đặt áp) gắn trên thân bơm, thuận tiện trong quá trình thao tác. Không trang bị áp kế đi cùng bơm.
-
Bơm điện thủy lực Osaka GH1-D thao tác điều khiển valve gạt tay (gạt trái/phải) tương ứng với nâng/hạ (đẩy áp - đẩy dầu/xả áp - hồi dầu) kích thủy lực, tools thủy lực 2 chiều.
-
Núm đổ dầu cùng núm xả hơi bơm điện thủy lực Osaka GH1-D thường bố trí ngay trên mặt của bơm, thuận tiện khi thao tác cũng như đổ bổ sung dầu. Khe thăm dầu bố trí thẳng đứng dọc theo thân bơm, dễ dàng quan sát tình trạng dầu.
-
Bơm thủy lực Osaka GH1-D được DKV VIET NAM CO.,LTD, với tư cách là đại lý chính thức, nhập khẩu trực tiếp từ Nhà máy của Osaka Jack - Osaka - Japan, đi kèm với CO của Phòng thương mại Nhật Bản.
-
Nhận sửa chữa, phục chế kích thủy lực, bơm thủy lực và cung cấp phụ kiện đầy đủ (gioăng phớt, lò xo, valve) của Osaka Jack và các hãng khác. Nhận cung cấp dịch vụ kiểm định test áp lực bơm thủy lực Osaka GH1-D tại các trung tâm kiểm định của Nhà nước và tư nhân, để nhanh chóng đưa bơm thủy lực Osaka GH1-D tới khách hàng vào sử dụng.
-
Cung cấp lắp đặt bơm với nhiều tùy chọn động cơ, điện áp: 110V/1ph, 200V/3ph..động cơ phòng chống cháy nổ cho bơm nếu khách có nhu cầu.
-
DKV VIET NAM nhận cung cấp ống dây thủy lực (vật liệu cao su hoặc nylon gia cường) với độ dài bất kỳ (4m, 6m, 8m, 10m, 15m, 20m, 50m...), chuyển đổi coupler sang các kiểu khác, để phù hợp với chuẩn Enerpac, Power Team, Betex, Holmatro, Riken, Larzep, Rehobot, Simplex, Tecpos, Tonners... mà khách hàng đang sử dụng.
-
Ngoài bơm thủy lực Osaka GH1-D và các sản phẩm tiêu chuẩn luôn có sẵn, chúng tôi còn có sẵn các bơm tiêu chuẩn giá rẻ hơn của Korea, China để thỏa mãn sự lựa chọn thêm của khách hàng, phù hợp với tiêu chí của khách hàng đặt ra (tham khảo tại: www.dkv.biz.vn và www.dkv-hydraulic.com).
-
Giao hàng và service bơm thủy lực Osaka GH1-D toàn quốc cho mọi khách hàng, hãy liên hệ với chúng tôi tại các văn phòng gần nhất, để được phục vụ.
-
Catalogue, thông số kỹ thuật chi tiết xem tại đây




Option: lắp biến tần Hitachi để sử dụng cho nguồn điện 200V/3ph
THÔNG TIN HỖ TRỢ:
-
Xuất xứ: Osaka/Japan (Made in Japan).
-
CO do phòng Thương mại Nhật Bản cấp (bản photo copy).
-
CQ do nhà sản xuất Osaka/Japan cấp.
-
Bảo hành: 12 tháng (theo tiêu chuẩn nhà sản xuất).
-
Quy cách đóng gói: hộp carton.
-
Thời gian giao hàng: 1 - 2 ngày (đối với hàng có sẵn tại Việt nam) , 15 - 45 ngày (đối với hàng không có tại Việt nam, tùy thời điểm đặt hàng). Giao hàng toàn quốc