KÍCH THỦY LỰC RỖNG TÂM OSAKA EC100H4 | CON ĐỘI THỦY LỰC RỖNG TÂM OSAKA EC100H4 | OSAKA HOLE HYDRAULIC JACK EC100H4 | 100 tấn | 40 mm


-
Kích thủy lực rỗng tâm Osaka EC100H4, con đội thủy lực rỗng tâm Osaka EC100H4, Osaka hole hydraulic jack EC100H4 là loại kích thủy lực, con đội thủy lực, sản xuất tại Nhật Bản, rỗng tâm, 2 chiều, vỏ thép, có sức đẩy max: 100 tấn, hành trình max: 40 mm, lỗ rỗng tâm: 55 mm, chuyên dùng kéo rút trong công nghiệp.
-
Áp hoạt động kích rỗng tâm Osaka EC100H4 < 720 bar (72 MPa), với coupler tiêu chuẩn 3/8"-NPT cho phép kích rỗng tâm Osaka EC100H4 đấu nối nhanh với bơm thủy lực, thông qua ống dây, phụ kiện thủy lực.
-
Do là kích thủy lực 2 chiều, lên kích rỗng tâm Osaka EC100H4 nâng/hạ có độ mượt không bị giật theo nhịp đẩy dầu của bơm so với kích thủy lực 1 chiều, đặc biệt là an toàn cao hơn hẳn, không bị sự cố khi bị mất áp.
-
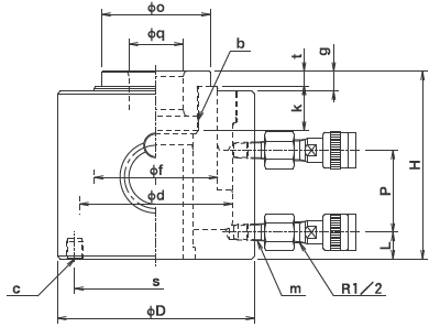
Kích thủy lực rỗng tâm Osaka EC100H4 trang bị ren phía đầu kích ( ren trong b = M85x2) cùng 4 bulong chìm dưới đáy kích (c =M16x17L) thuận tiện kết nối với đồ gá khi cần thiết.
-
Kích rỗng tâm Osaka EC100H4 dòng EC được chế tạo bằng thép cường lực, chịu va đập tốt, kết hợp với gioăng phớt chất lượng cao, cho tuổi thọ kích rỗng tâm Osaka EC100H4 sử dụng dài lâu, đặc biệt là sai số tải trọng rất nhỏ trong quá trình sử dụng theo năm tháng vận hành.
-
Kích thủy lực rỗng tâm Osaka EC100H4 được DKV VIET NAM CO.,LTD, với tư cách là đại lý chính thức, nhập khẩu trực tiếp từ Nhà máy của Osaka Jack - Osaka - Japan, đi kèm với CO của Phòng thương mại Nhật Bản.
-
Nhận sửa chữa, phục chế kích thủy lực, bơm thủy lực và cung cấp phụ kiện đầy đủ (gioăng phớt, lò xo, valve) của Osaka Jack và các hãng khác. Nhận cung cấp dịch vụ kiểm định test tải trọng kích tại các trung tâm kiểm định của Nhà nước và tư nhân, để nhanh chóng đưa kích vào sử dụng tới khách hàng.
-
DKV VIET NAM nhận cung cấp ống dây thủy lực (vật liệu cao su hoặc nylon gia cường) với độ dài bất kỳ (4m, 6m, 8m, 10m, 15m, 20m, 50m...), chuyển đổi coupler sang các kiểu khác, để phù hợp với chuẩn Enerpac, Power Team, Betex, Holmatro, Riken, Larzep, Rehobot, Simplex, Tecpos, Tonners... mà khách hàng đang sử dụng.
-
Ngoài kích thủy lực rỗng tâm Osaka EC100H4 và các sản phẩm tiêu chuẩn luôn có sẵn, chúng tôi còn có sẵn các kích tiêu chuẩn giá rẻ hơn của Korea, China để thỏa mãn sự lựa chọn thêm của khách hàng, phù hợp với tiêu chí của khách hàng đặt ra (tham khảo tại: www.dkv.biz.vn và www.dkv-hydraulic.com).
-
Giao hàng và service rỗng tâm Osaka EC100H4 toàn quốc cho mọi khách hàng, hãy liên hệ với chúng tôi tại các văn phòng gần nhất, để được phục vụ.
-
Catalogue, thông số kỹ thuật chi tiết xem tại đây

-
Một bộ kích thủy lực Osaka EC100H4 hoàn chỉnh: sẽ bao gồm thêm bơm thủy lực TWAD-0.9, ống dây thủy lực 2m có tích hợp coupler và áp kế




THÔNG TIN HỖ TRỢ:
-
Xuất xứ: Osaka/Japan (Made in Japan).
-
CO do phòng Thương mại Nhật Bản cấp (bản photo copy).
-
CQ do nhà sản xuất Osaka/Japan cấp.
-
Bảo hành: 12 tháng (theo tiêu chuẩn nhà sản xuất).
-
Quy cách đóng gói: hộp carton.
-
Thời gian giao hàng: 1 - 2 ngày (đối với hàng có sẵn tại Việt nam) , 15 - 45 ngày (đối với hàng không có tại Việt nam, tùy thời điểm đặt hàng). Giao hàng toàn quốc.